Description
- Brand Name: EMDSXGO
- Accessory Type: Extension Board
- Battery Included: No
- Origin: Mainland China
- High-concerned chemical: None
- Compatible With: new

Â
Features:
After the successful production of this kit, with the sound of music or other sounds, the 5 LED lights will follow the rhythm of the sound (the speed of the sound) and move. It can be placed near the speaker, you can feel the wonderful melody combination of sound and light, and let the light dance to the music!
Â
Â
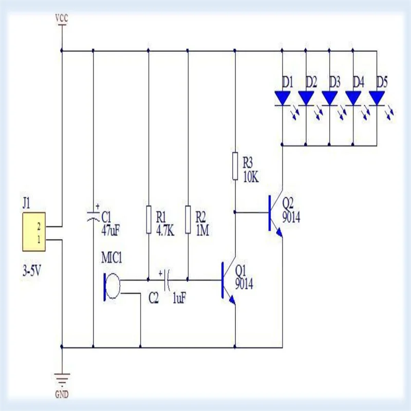
Circuit principle:
The voice-activated LED melody light circuit is composed of a power supply circuit, a microphone amplifier circuit, and an LED light-emitting indicator circuit. The power supply is input by J1, and the C1 filter is used by the circuit. MIC1 converts the sound signal into an electrical signal, which is coupled to Q1 by C2 for amplification, and the amplified signal is sent to the base of Q2, and Q2 drives the LED to emit light. The louder the sound, the higher the LED brightness.
Â

common problem:
Â
1. I didn't pay attention to the positive and negative poles of the LED, the long feet are the positive poles.
Â
2. The three resistors are not welded according to the markings on the board. Use a multimeter to measure or read the resistance color ring.
Â
3. The triode is not inserted according to the shape on the board, resulting in the wrong direction.
Â
4. The positive and negative poles of the microphone head are not correct, the positive pole of the long foot, or the pin connected to the shell is the negative pole.
Â
5. Electrolytic capacitors are soldered wrongly, one is 1uf, the other is 47uf, pay attention to distinguish, the long leg is positive.
Â
6. The positive and negative poles of the power supply are reversed, and the marking on the board shall prevail. The line corresponding to the + sign is the positive pole, and the line corresponding to the - sign is the negative pole.
Â
7. Check the welding short-circuit and virtual welding phenomenon, the power supply voltage is 3-5.5V, a stable power supply is required, and it is best to use a battery for power supply.
Â
Appendix: The specific identification method of four-ring and five-ring color ring resistance
Â


Â
Â













